Ayarlı voltaj regülatörü, temel itibari ile dengesiz gelen enerjinin düzene sokulmasını, dengelenmesini mümkün kılar. Mümkün kıldığı aralık is – 90 V ila + 50 V aralığıdır.
Ayarlı Voltaj Regülatörü Nedir?

Ayarlı voltaj regülatörü, trafoların giriş ve çıkış sargınlarının onayı dikkate alınarak giriş ve çıkış voltajlarının ayarlamasının yapıldığı “tek sarımlık” olarak adlandırılan trafolardır. Bu trafoların, çeşitli nedenlere bağlı olarak ortaya çıkan ve enerjinin düşmesini veya yükselmesini mümkün kılan unsurları dengelemek ve denetim altına almak için üretildiklerini söylemek mümkündür. Bu denetim işlemini sağlayan ise, cihazların içerisinde bulunan donanımsal parçalardır. Yani söz konusu cihazda yer alan donanımsal parçalar aracılığı ile enerjinin düşürülmesi veya yükselmesi mümkün hale gelmektedir.
Voltaj regülatörleri için şimdi tıklayın.
Ayarlı Voltaj Regülatörü Kullanım Alanları

Ayarlı voltaj regülatörü kullanım alanı, sırası ile aşağıda verildiği gibidir.
- CNC Tezgahları
- Otomasyon Ekipmanları
- Kesintisiz Güç Kaynakları
- Radyo Vericileri
- Tıbbi Cihazlar
- Fotoğraf Baskı Makineleri
- Telekomünikasyon Cihazları
- Ağaç İşleme Makineleri
- Enjeksiyon Makineleri
- Laboratuar Cihazları
- Matbaa Makineleri
- Tekstil Makineleri
- Kuyumculuk Cihazları
- Tasarım Makineleri
- Klimalar
- Televizyon Vericileri
- Teknik Cihazlar
- Hırsız alarm Sistemleri
- Yangın Güvenlik Sistemleri
- Personel Devam Kontrol Sistemleri
- Aydınlatma Üniteleri
- Denizcilik Ekipmanları
- Elektrikli Ev Aletleri
- Kartlı Geçiş Sistemleri
- Dişçilik Ekipmanları
- Lazer Cihazlar
- Kombiler
- Telefon Santralleri
- Asansörler
- Motorlu Kepenkler
- Bilgisayar Sistemleri
- Isıtma ve Soğutma Sistemleri
- Ambalaj Makineleri
- Deri İşleme Cihazları
- Market Ekipmanları
- Motorlu Makineler
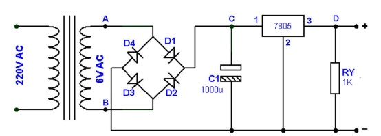
Ayarlı Voltaj Regülatörü Devresi

Ayarlı voltaj regülatörü devresi, akımın, yani enerjinin sabit tutulması ve dengesizliklerin giderilmesi amacı ile kullanılan devrelerdir. Bu devreleri şöyle sıralamak mümkündür:
- Zener diyotlu regülatör
- Entegre gerilim regülatörleri
- Ayarlanabilir gerilim regülatörleri
- Seri regüle devresi
Ayarlı voltaj regülatörü devrelerinde, yukarıdan da anlaşılacağı üzere zener diyot, entegre ve transistör gerilim regülatörleri kullanılır.
Zener diyot, gerilim regülasyonlarında kullanılan ve ters polarlama adı altında çalışan bir diyot çeşididir. Bu diyot çeşidinin PN birleşiminde bulunan ters polarmanın altında yer alan kırılma noktasından yararlanarak geliştirilmiş özel bir diyot çeşidi olduğunu söylemek ise mümkündür. Zener diyot regülatör devresinin asıl görevi ise uçlarında uygulanan gerilim miktarını sabit tutmaktır.
Zener diyot regülatör devrelerinde, zener diyotun bir özelliğinden faydalanıldığı bilinir. Bu özellik, zener diyotun belirli bir ters gerilim oranından sonra iletime geçmesini kapsar. Yani zener diyot, yük direncine paralel ama ters yönde bağlanır. Daha sonra bu bağlanmış devre üzerinden gerilim verilmeye başlanır. Bu gerilim miktarı belirli bir oranı geçince ise zener diyot iletime geçer ve devreden geçen akımı arttırır. Artan bu akım, devreye bağlanan direncin gerilim düşümünü arttırır. Bu da yüke gelen gerilimin sabit kalmasını mümkün kılar.

Entegre gerilim regülatörleri, temel itibari ile 3 gruba ayrılan regülatör türleridir. Söz konusu 3 alt başlığı şu şekilde sıralamak mümkündür.
- Pozitif gerilim regülatörleri
- Ayarlanabilir gerilim regülatörleri
- Negatif gerilim regülatörleri
Pozitif gerilim regülatörlerinde, gerilimlerin giriş ve çıkışları toprağa göre pozitiftir. Negatif gerilim regülatörleri için ise bu durum tam tersidir. Negatif gerilim regülatörlerinde, yükün ve kaynağın gerilim taraflarının GND’ye bağlandığını söylemek mümkündür. Ayarlanabilir gerilim regülatörleri ise, 3 bacaklı regülatörlerdir. Bu regülatörlerin çıkış yönünün istenen şekilde ayarlanması mümkündür.
Regülatör fiyatı almak istiyorsanız aşağıdaki formu doldurarak bize ulaşabilirsiniz.

